Ga naar de hoofdinhoud Ga naar de zoekopdracht Ga naar de hoofdnavigatie
Snelle levering
Groot assortiment
Gunstig prijsniveau

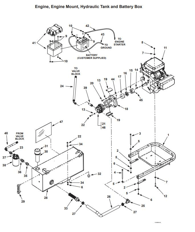
Turfco 1550

Turfco 1550 onderdelen: Specifieke vervangingsonderdelen voor de Turfco 1550. Dit is waarschijnlijk een ander specifiek model van een Turfco machine, mogelijk een verbeterde of anders geconfigureerde versie van de 1530. Onderdelen zijn specifiek voor dit model.